以色列公司采购ATEX标准防爆堵头 -- 20220920
公司 采购 防爆堵头
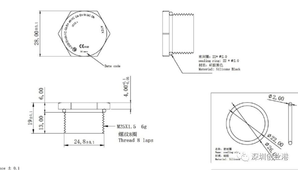
以色列公司采购ATEX标准防爆堵头;
有图纸信息;
具体请联系佟小姐获取更多详细资料,
邮件地址:jrs9@jrs-sourcing.com,
电话:0755-86561465 133 6736 8778
要求:一定要ATEX标准,材质不锈钢316; 批次2万个;

更多采购请见深圳创业港www.szcyg.org
公司 采购 防爆堵头
以色列公司采购ATEX标准防爆堵头;
有图纸信息;
具体请联系佟小姐获取更多详细资料,
邮件地址:jrs9@jrs-sourcing.com,
电话:0755-86561465 133 6736 8778
要求:一定要ATEX标准,材质不锈钢316; 批次2万个;

更多采购请见深圳创业港www.szcyg.org
keywords: 深圳创业港 深圳创业 联系:info@szcyg.org