巴西公司采购烤箱旋钮开关 -- 20230526
采购 烤箱 旋钮开关
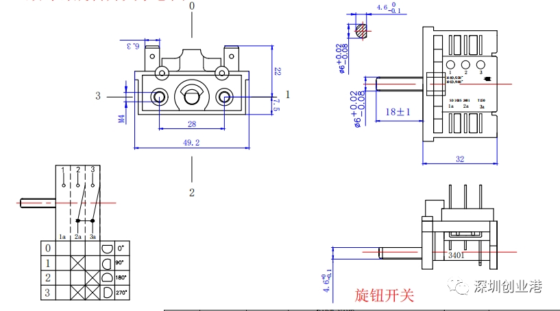
巴西公司采购烤箱旋钮开关,
欢迎来电咨询!
主要参数:250V AC 20A T150,
材质:PA66,数量1000pcs 。
需要更多项目信息请联系蔡小姐Sherry,
邮箱:jrs49@jrs-sourcing.com
电话:0755- 8665 4886,
Mobile: 13434782072

更多采购请见深圳创业港www.szcyg.org
采购 烤箱 旋钮开关
巴西公司采购烤箱旋钮开关,
欢迎来电咨询!
主要参数:250V AC 20A T150,
材质:PA66,数量1000pcs 。
需要更多项目信息请联系蔡小姐Sherry,
邮箱:jrs49@jrs-sourcing.com
电话:0755- 8665 4886,
Mobile: 13434782072

更多采购请见深圳创业港www.szcyg.org
keywords: 深圳创业港 深圳创业 联系:info@szcyg.org