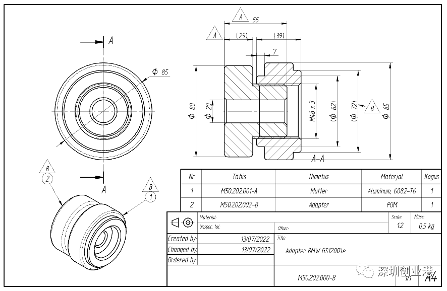
定制POM五金组合配件 -- 20230724
定制 五金 配件
定制POM跟五金组合配件,
图纸如下,
数量1000套。
联系人:黄小姐,
Mobile: 15016720760,
Email:jrs32@jrs-sourcing.com







更多采购请见深圳创业港www.szcyg.org
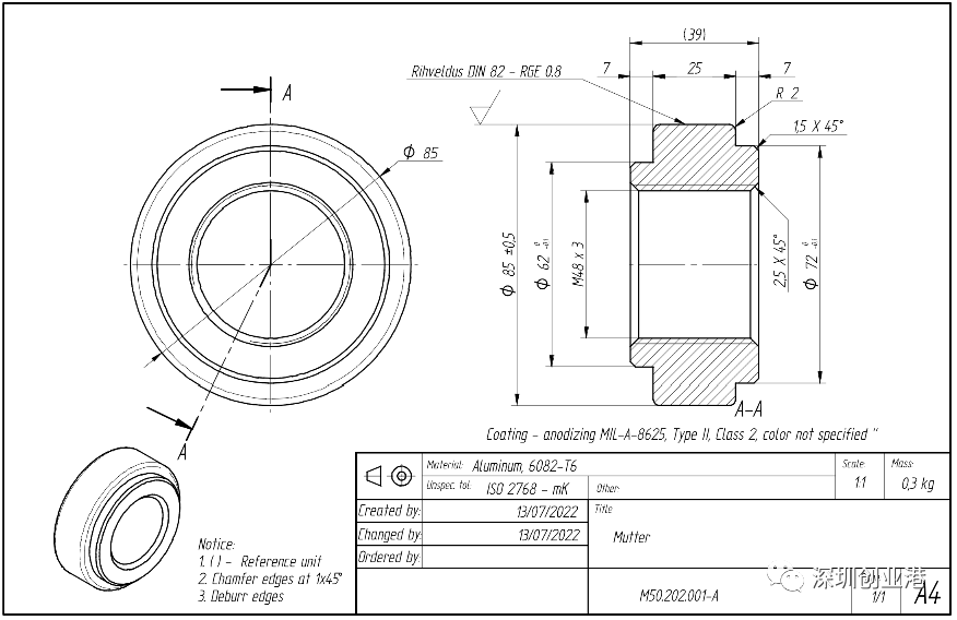
定制 五金 配件
定制POM跟五金组合配件,
图纸如下,
数量1000套。
联系人:黄小姐,
Mobile: 15016720760,
Email:jrs32@jrs-sourcing.com







更多采购请见深圳创业港www.szcyg.org
keywords: 深圳创业港 深圳创业 联系:info@szcyg.org