以色列公司采购铝6061加工件 -- 20231009
铝6061 加工件
以色列公司采购铝6061加工件,
有图纸,
数量:20-50个,
如工厂可以做或者有资源渠道,
烦请联系佟小姐。
邮件地址:jrs9@jrs-sou
电话:0755-86561465 133 6736 8778(可加微信)

更多采购请见深圳创业港www.szcyg.org
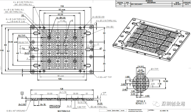
铝6061 加工件
以色列公司采购铝6061加工件,
有图纸,
数量:20-50个,
如工厂可以做或者有资源渠道,
烦请联系佟小姐。
邮件地址:jrs9@jrs-sou
电话:0755-86561465 133 6736 8778(可加微信)

更多采购请见深圳创业港www.szcyg.org
keywords: 深圳创业港 深圳创业 联系:info@szcyg.org