国外需求电机轴(电机螺杆),寻找有实力且专业做电机轴的生产厂家 -- 20250327
电机轴 电机螺杆
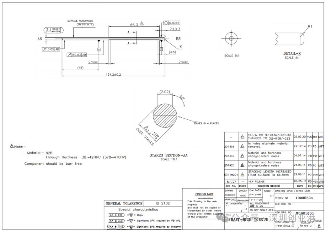
国外需求电机轴(电机螺杆)
精度要求高,
寻找有实力且专业做电机轴的生产厂家,
参数规格见图纸。
欢迎来电咨询!
需要更多项目信息请联系刘小姐Lina
邮箱:jrs58@jrs-sourcing.com
电话: 0755-86655575 15914118816





关注深圳创业港(www.szcyg.org)每日采购信息
更多采购请见深圳创业港www.szcyg.org
电机轴 电机螺杆
国外需求电机轴(电机螺杆)
精度要求高,
寻找有实力且专业做电机轴的生产厂家,
参数规格见图纸。
欢迎来电咨询!
需要更多项目信息请联系刘小姐Lina
邮箱:jrs58@jrs-sourcing.com
电话: 0755-86655575 15914118816





关注深圳创业港(www.szcyg.org)每日采购信息
更多采购请见深圳创业港www.szcyg.org
keywords: 深圳创业港 深圳创业 联系:info@szcyg.org